Variateur de fréquence Kinco FV100 - Modbus
Variateur de fréquence
Version 2S : monophasé 200V~240V
Fréquence de sortie : 0 - 300Hz
Pilotage de fréquence : Clavier, analogique, Pulses, RS485
2 Sorties analogiques (0/4 - 20mA ou 0/2 - 10V)
1 Sortie pulses
1 Sortie collecteur ouvert bi-directionnelle
1 Sortie sur Relais
2 Entrées analogiques
1 Entrée différentielle
7 Entrées Digitales
1 Port RS485
Variateur de fréquence Série FV100
Puissances : 750W - 2200W, et 3700W (4T)
Fréquence de découpage: jusqu'à 15 kHz
Fréquence de sortie : 0 - 300Hz
Fonctions de boost de couple et de compensation de glissement automatiques
Contrôle vectoriel avec ou sans capteur
1 port RS485 Modbus
1 sortie tension de référence 10V - 5mA
3 entrées analogiques -10~+10V ou 0mA~20mA
7 entrées digitales multifonctions optocouplées dont une pulse
2 sorties analogiques 0~10V ou 0/4~20mA
1 sortie optocouplée collecteur ouvert 30V - 50mA
1 sortie pulse collecteur ouvert
1 sortie relais, 250VAC - 2A, 30VDC - 1A
1 sortie alimentation +24V - 200 mA
Dimensions extérieures :
Largeur : 115 mm
Hauteur : 185 mm
Profondeur : 171 mm
Poids : 2 kg
Caractéristiques
Item | Description | |
---|---|---|
Entrée | Tension et Fréquence nominales | 4T : triphasé 380V~440V – 50Hz/60Hz // 2S : monophasé 200V~240V |
Plage de tension de fonctionnement | 4T : 320V~460V – 2S : 180V~260V - Déséquilibrage de Tension <3 % - Fréquence +-5 % | |
Sortie | Tension nominale | 0~Tension d'entrée |
Fréquence | 0Hz~300Hz (personalisé 0Hz~3000Hz) | |
Capacité de surcharge | Type G : 150 % 1 mn – 180 % 10 s | |
Paramètres de contrôle | Modes de contrôle | Contrôle vectoriel avec ou sans capteur – Contrôle V/F |
Modulation | Space vector PWM modulation | |
Couple de démarrage | 0.5Hz : 150 % du couple nominal(Contrôle vectoriel capteur) – 0.5Hz : 200 % du couple nominal(Contrôle vectoriel avec capteur) | |
Précision en fréquence | Réglage numérique : fréquence max. x +- 0.01% – réglage analogique : fréquence max. x +-0.2 % | |
Résolution en fréquence | Réglage numérique : 0.01Hz – réglage analogique : fréquence max. x 0.05 % | |
Boost du couple | Réglage manuel : 0% ~ 30.0 % | |
Programmes V/F | 4 programmes : 1 mode courbe défini par l'utilisateur et 3 types de mode réduction de couple (2.0 puissance - 1.7 puissance - 1.2 puissance) | |
Courbes Acc/Dec | Accélération/décélération linéaire. 4 sortes de temporisation | |
Limitation automatique du courant | Limitation automatique du courant en cours de fonctionnement pour éviter l'apparition de surintensités | |
Fonctions personnalisées | Jogging | Plage de fréquence de Jogging : 0.00Hz~50.00Hz. Temps d'accélération/décélération de Jogging : 0.1~60.0s |
Mode multi vitesses | Sélection de vitesse par les entrées digitales | |
Fonctions de base | Pilotage et paramétrage | Ecran intégré – Entrées - Modbus |
Réglage fréquence | Ecran intégré – Entrées - Modbus - Entrée impulsions | |
Réglage fréquence auxiliaire | Permet un réglage/équilibrage de fréquence plus souple et une synthèse de fréquence | |
Sorties analogiques | 2 voies (0/4~20mA ou 0/2~10V) | |
Panneau de contrôle | Affichage LED | Plus de 20 paramètres : paramétrage de la fréquence – fréquence de sortie – tension de sortie – courant de sortie… |
Copie des paramètres | Copie des paramètres sur le tableau de contrôle | |
Verrouillage des touches et choix des fonctions | Verrouillage de toute ou partie des touches – affectation de fonction touche par touche | |
Protections | | Surintensité – Surtension – Disparition d'une phase (sélectionnable) - Sous voltage – Surchauffe – Surcharge - Court-Circuit ... |
Environnement | Utilisation | Intérieur - à l'abri : des rayonnement solaire direct / poussière / gaz corrosifs et inflammables / vapeurs / projections |
Altitude | Courant nominal de sortie réduit au dessous 1000m – réduction de 10 % par palier de 1000m | |
Température ambiante | -10°C~40°C - réduction des performances entre 40 et 50°C | |
Humidité | 5%~95%RH – sans condensation | |
Vibration | Inférieure à 5.9m/s2 (0.6g) | |
Température de stockage | -40°C~70°C | |
Boîtier | Protection | IP20 |
Refroidissement | Ventilateur | |
Montage | Fond de panier | |
Rendement | ≥ 93 % | |
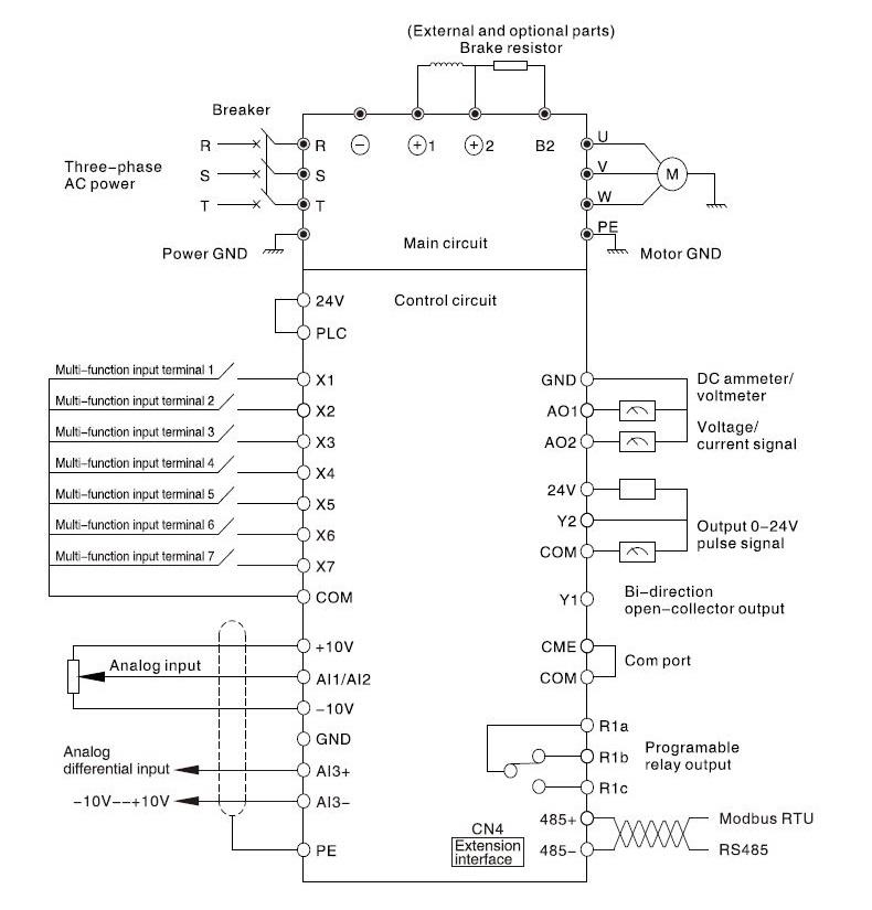
Entrées / Sorties
Category | Marquage | | Description |
---|---|---|---|
Masse | PE | Masse | |
Communication | RS+ / RS- | port RS485 | Utiliser paire torsadée ou câble blindé |
Entrées analogiques | AI1 et AI2 | Entrées non-différentielles | Sélection mode Tension ou Courant par Jumper (AI1 et AI2) (Référence 0V : GND)– Plage de tension -10V~+10V (résistance d'entrée 45kOhm) Résolution 1/4000– Plage de courant 0mA~20mA Résolution 1/2000 (sélection par jumper) |
AI3+ | Entrée tension différentielle positive ou non différentielle | En mode différentiel l'entrée AI3+ est le sens normal et AI3- le sens inversé – En mode non-différentiel AI3+ est l'entrée du signal et AI3- est le 0V (GND) – Plage de tension -10V~+10V (résistance en entrée 15kOhm) | |
AI3- | Entrée tension différentielle négative ou non différentielle | ||
Sorties analogiques | A01 et AO2 | | Sélection mode Tension ou Courant par Jumper (AO1 et AO2) Par défaut en mode Tension – voir description code fonction A6.28 et A6.29 – Plage de tension 0V~10V – Plage de courant 0/4mA~20mA |
Entrées digitales multifonction | X1~X6 | Entrées digitales multifonction | Affectations de fonctions – Entrées optocouplées – résistance d'entrée3.3kOhm – tension 2~30V – Fréquence max. X1~X6 : 200kHzFréquence max. X7 : 100kHz |
X7 | Entrées digitales multifonction ou entrée impulsion | | |
Sortie digitale multifonction | Y1 | Sortie collecteur ouvert bi-directionnellle | Affectations de fonctions – Sortie optocouplé (port com. CME) – sortie opto-couplée Tension max. : 30V max. Courant max. : 50mA |
Y2 | Sortie pulse sur collecteur ouvert | Affectations de fonctions – Sortie optocouplé (port com. COM) – fréquence de sortie maxi. 100KHz | |
Alimentation | 10 | Alimentation +10V | Référence de tension +10V – 5mA |
GND | | GND pour les signaux analogiques et l'alimentation +10V - | |
24V | Alimentation +24V | pour équipements alimentés en 24V 200mA max. | |
Ports communs | PLC | port commun des entrées multifonctions | port commun des entrées X1 à X7 (relié au 24V par défaut) – séparé du 24V en interne |
COM | port commun de l'alimentation 24V | 3 ports communs sont utilisables en fonction des besoin : COM / CME / GND isolés en interne | |
CME | port commun de la sortie Y1 | | |
Sorties relais 1 | R1a | | Fonction programmable – R1a-R1b : normalement fermé / R1a-R1c : normalement ouvert / Contacts : AC250V/2A (cos = 1) AC250V/1A (cos = 0.4) DC30V/1A |
R1b | | ||
R1c | |
Spécifications
Puissance variateur | 750 W ou 2200 W |